一、产品概述
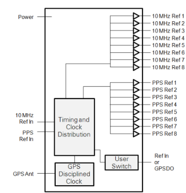
OctoClock 8通道时钟分配模块可通过跟踪外部输入10 MHz参考和 PPS(每秒脉冲)信号扇出放大后的8路10 MHz参考和 PPS(每秒脉冲)信号,为最多8个通用软件无线电外设(USRP) 设备提供频率和时间同步。OctoClock-G使用集成的GPSDO添加内部时间和频率参考。前面板上的开关允许用户在内部GPSDO和外部提供的参考之间进行选择。两种OctoClock都支持用户轻松构建MIMO系统并与可能包括MIMO研究、测向、波束成形、发射器地理定位等的更高通道数系统配合使用。
Octoclock
OctoClock在设备前面板提供10 MHz和PPS输入信号,并将其分配到八个10 MHz和 PPS SMA输出端口。每个输出信号在被分成八路后被放大以保持电平和信号完整性。
Octoclock-G
OctoClock-G可分配由内部GPS控制的恒温振荡器 (GPSDO) 或外部源生成的10 MHz 和1 PPS信号。用户可以通过前面板上的开关在这两种信号源之间切换,并且在信号源故障或断开时,设备具备自动切换功能。
GPSDO作为一个高精度参考,可以同步GPS时间。这使开发人员能够在全球范围内将多通道系统的时间对齐至0.1微秒级别。当GPSDO未锁定到GPS星座时,它仍然可以提供10 MHz/1 PPS信号,其精度优于25 ppb.
产品介绍
二、产品特征
集成式定时源,支持8路分配(10 MHz和1 PPS)
多通道同步的便捷解决方案
适用于支持MIMO的USRP设备,实现相干系统
用户可选择内部GPSDO或外部10 MHz & 1 PPS信号源
具备源信号检测功能,支持故障或断开时自动切换
19英寸1U机架安装
8 通道时钟分配 | 集成 GPSDO | |
Octoclock | √ | |
Octoclock-G | √ | √ |
三、技术参数
电源 | |
直流输入 | 6 - 15 V |
电流消耗 | < 1 A@12V |
输入 | |
10 MHz输入范围 | 0 - 20 dBm |
1 PPS输入 | 2.5 - 5 V |
GPSDO参数规格 | |
有源GPS天线(用户提供) | 5 V |
不带GPS锁定的频率精度 | 25 ppb |
带GPS锁定的频率精度 | <1 ppb |
带GPS锁定的PPS精度 | 50 ns |
输出 | |
10 MHz输出 | 1.4 Vpp |
10 MHz输出波形 | 方波 |
10 MHz输出阻抗 | 50 Ohm |
1 PPS输出 | 5 V |
1 PPS 波形 | 逻辑电平脉冲 |
物理属性 | |
尺寸(1U机架安装) | 43.5 × 10 × 4.35 cm |
重量 | 1.28kg |

Octoclock-G系统框图